BENDIX BW1115 Manuale Utente Pagina 77

  • Scaricare
  • Aggiungi ai miei manuali
  • Stampa
  • Pagina
    / 81
  • Indice
  • SEGNALIBRI
  • Valutato. / 5. Basato su recensioni clienti
Vedere la pagina 76
79
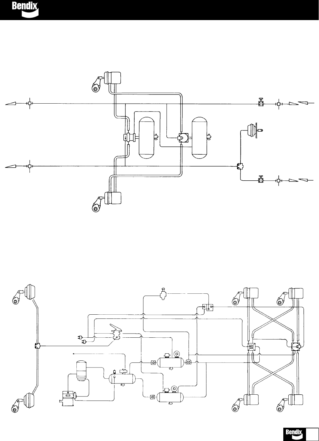
REMOLQUE TIPO CAJA DOBLE DE DOS RUEDAS
CAMIÓN DE SEIS RUEDAS
HC-2
HC-2
ASA
SR-2
R-12
C-5
QR-1
C-5
HC-2
HC-2
Acoplamiento
simulado
Acoplamiento
simulado
Cámara del
freno tipo 36
Freno de
resorte
Manguera con diámetro interno de 3/8"
Manguera con diámetro interno de 3/8"
ASA
QR-1
Manguera con
diámetro
interno de 3/8"
Cámara
del freno
SL-5
SL-5
Secador
de aire
Suministro de
accesorio
D-2
Compresor
1/4"
1/4"
5/8"
1/2"
Válvula de freno doble
ST-3
PR-4
1/2"
1/2"
5/8"
SC-1
LP-3
LP-3
SC-1
5/8"
DC-4
PP-1
1/4"
SR-1
ASA
ASA
1/2"
5/8"
ASA ASA
R-12
R-14
Manguera con
diámetro
interno de 3/8"
Manguera con
diámetro
interno de 3/8"
Manguera
con diámetro
interno de
3/8"
Freno de
resorte
Tensor de ajuste
automático (ASA)
Tensor de ajuste
automático (ASA)
Sistemas de aire típicos 100
Vedere la pagina 76
1 2 ... 72 73 74 75 76 77 78 79 80 81

Commenti su questo manuale

Nessun commento